HWSW Informatikai Kerekasztal: Merre találok segítséget? - HWSW Informatikai Kerekasztal

Ugrás a tartalomhoz

Mellékleteink: HUP | Gamekapocs

  • (86 Oldal)
  • +
  • « Első
  • 66
  • 67
  • 68
  • 69
  • 70
  • Utolsó »
  • Nem indíthatsz témát.
  • A téma zárva.

Merre találok segítséget? Ide nézz be először! Értékeld a témát: -----

#1341 Felhasználó inaktív   djculture 

  • Őstag
  • PipaPipaPipaPipaPipa
  • Csoport: Fórumtag
  • Hozzászólások: 8.810
  • Csatlakozott: --

Elküldve: 2008. 05. 04. 21:13

Idézet: pekarsipos - Dátum: 2008. máj. 4., vasárnap - 20:50

Lehet hogy fére értetek.Ha kikapcsolom a gépet és áteszem a athlont akor a gép adig kapcsol be ahol fekete alapon fehér betúkel van irva.Például olyasmik mint csőkentet uzemódi inditás,normális inditás.És a gép amikor idáig eljut restartol.De ha viszateszem a sempront ugyanedig eljut de ha lemegy a idő ,vagy pedig ráklikelek a normális módra akor széppen bekapcsol a gép.
Aval a ulitilivel mit kel csinálni(ez egy pdf 1,4mb)

Te most olvastam el az egészet amit irtál./Jobb későn mint soha./A wint beboottolva a lemezről akartad ujratelepiteni és elindult a telepitő?Leformáztad a rendszer particiót?Tápod milyen?

Szerkesztette: djculture 2008. 05. 04. 21:13 -kor

Ki a halott vinyók istene?
Hádédész..

#1342 Felhasználó inaktív   argon 

  • Tag
  • PipaPipa
  • Csoport: Fórumtag
  • Hozzászólások: 297
  • Csatlakozott: --

Elküldve: 2008. 05. 04. 21:28

Idézet: Gyula2222 - Dátum: 2008. máj. 4., vasárnap - 21:48

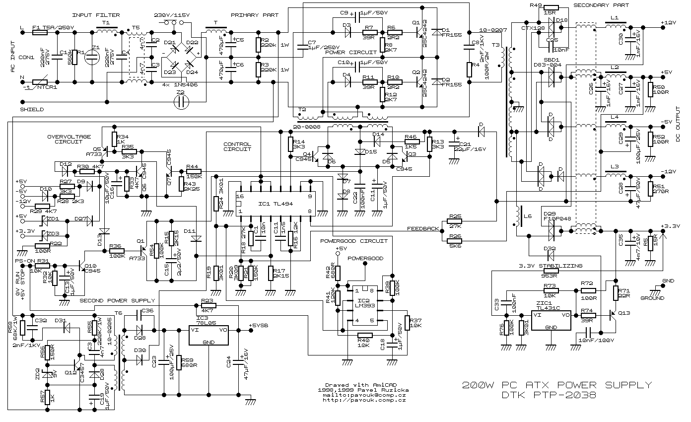
Köszi. Van tisztességes rajzod? Nekem csak egy meglehetősen rossz felbontásút sikerült annakidején levadásznom.

Hirtelen ezt találtam, valahol van még, de ki tudja hol?
Az kézzel rajzolt, és az ősidőkből való.
http://www.alldatash...earchword=TL494
Ez ATX-es rajz, csak tájékozódásra jó, bár majdnem minden tápegység egyforma, de mégis sok különbség van közöttük.

Csatolt képek:

  • Csatolt kép: post-10-1209932886.gif

Szerkesztette: argon 2008. 05. 04. 21:42 -kor


#1343 Felhasználó inaktív   pekarsipos 

  • Újonc
  • Pipa
  • Csoport: Alkalmi fórumtag
  • Hozzászólások: 8
  • Csatlakozott: --

Elküldve: 2008. 05. 04. 21:37

Ha ara gondolsz hogy a windowsot fel lehete játszani-nem. Ha a athlonal elinditom a windows telepitőt bekapcsol és adig jut el hogy f6 majd f2 és semmi.Nem lehet hogy a procival van baj?

#1344 Felhasználó inaktív   argon 

  • Tag
  • PipaPipa
  • Csoport: Fórumtag
  • Hozzászólások: 297
  • Csatlakozott: --

Elküldve: 2008. 05. 04. 22:15

Abit IS7-E
A probléma fokozódott. Időközben beüzemeltem egy IS7e lapot, ami csak annyiban különbözik az IS7-től, hogy nincs rá 1394 integrálva.
A cache memória sebessége ugyanaz, L1-6743MB/s, L2-5992MB/s, a memória 1566MB/s, ez utóbbi átlagosnak mondható. BIOS IC-k cseréje, a legfrissebb és a kettővel régebbi verziókkal ugyanez a hiba.
Négy lapnak nem lehet ugyanaz a hibája, inkább valami összeférhetetlenség van a Memtest86-tal.
Beraktam egy "rendes" P4-et, és...

Memetest86v3.3
Pentium4(0.13) 2606 MHz
L1  8K  21360 MB/s
L2  512K  18223 MB/s
M 512MB  2078 MB/s
i845/i865    FSB 200MHz  PAT disabled
Settings RAM 200MHz (DDR400) CAS 2.5-3-3-8 Dual Ch. 128 bits
Ezek elfogadható értékek, azthiszem, a különbség a jó és a rossz között a proci és a PAT.
Mivel a PAT-ot nem nagyon tudom, hogy mi, csak annyit olvastam róla, hogy az i865lapokra az alaplapgyártók csempészték rá az Intel beleegyezése nélkül (mivel ez az üzemmód csak a 875 chipset tulajdonsága "hivatalosan"), se bekapcsolni, se kikapcsolni nem tudom. Lehet, hogy ez csinálta a galibát?

#1345 Felhasználó inaktív   Gyula2222 

  • Őstag
  • PipaPipaPipaPipaPipa
  • Csoport: Fórumtag
  • Hozzászólások: 11.315
  • Csatlakozott: --

Elküldve: 2008. 05. 04. 22:33

Idézet: pekarsipos - Dátum: 2008. máj. 4., vasárnap - 21:37

Ha ara gondolsz hogy a windowsot fel lehete játszani-nem. Ha a athlonal elinditom a windows telepitőt bekapcsol és adig jut el hogy f6 majd f2 és semmi.Nem lehet hogy a procival van baj?

Ugyanerre a gépre a régi procival felment a telepítőlemezedről a rendszer?

#1346 Felhasználó inaktív   Telcontar 

  • Őstag
  • PipaPipaPipaPipaPipa
  • Csoport: Fórumtag
  • Hozzászólások: 8.689
  • Csatlakozott: --

Elküldve: 2008. 05. 04. 23:14

Idézet: pekarsipos - Dátum: 2008. máj. 4., vasárnap - 22:37

Ha ara gondolsz hogy a windowsot fel lehete játszani-nem. Ha a athlonal elinditom a windows telepitőt bekapcsol és adig jut el hogy f6 majd f2 és semmi.Nem lehet hogy a procival van baj?

djculture már kérdezte: tápod milyen?
... a trip back in time is all I need ...

#1347 Felhasználó inaktív   pekarsipos 

  • Újonc
  • Pipa
  • Csoport: Alkalmi fórumtag
  • Hozzászólások: 8
  • Csatlakozott: --

Elküldve: 2008. 05. 05. 14:43

HA a sempron volt benne akor a telepités széppen működöt.Mi az a táp és hol találom?

#1348 Felhasználó inaktív   Gyula2222 

  • Őstag
  • PipaPipaPipaPipaPipa
  • Csoport: Fórumtag
  • Hozzászólások: 11.315
  • Csatlakozott: --

Elküldve: 2008. 05. 05. 14:55

Idézet: pekarsipos - Dátum: 2008. máj. 5., hétfő - 14:43

HA a sempron volt benne akor a telepités széppen működöt.Mi az a táp és hol találom?

A táp(egység) az a téglány, ami az energiaellátáson kívül a gép hátsó felén fújja ki a levegőt.
Igen kicsi az esély, h az új processzorodnak annyival nagyobb lenne a teljesítményfelvétele, h emiatt nem működne.
Ha minden bekapcsoláskor elkezdte betölteni a rendszert, akkor a procihiba is nagyon kis esélyű.
Továbbra is az a gyanúm, h a telepítőlemezed nem tudja az új konfigurációt kezelni.
Ha minden igaz, épp most jelent, vagy jelenik meg az sp3 kiegészítés magyarul.
A Microsoft honlapon, de itt is megírták, hogyan lehet egy spéci friss telepítőlemezt létrehozni.
Csinálj egyet, akár valaki hozzáértőbbel. Érdemes az alaplapgyártótól lekérni a legfrissebb drivereket, és azokat is integrálni.

Szerkesztette: Gyula2222 2008. 05. 05. 14:58 -kor


#1349 Felhasználó inaktív   pekarsipos 

  • Újonc
  • Pipa
  • Csoport: Alkalmi fórumtag
  • Hozzászólások: 8
  • Csatlakozott: --

Elküldve: 2008. 05. 05. 15:46

Switching Power Supply: Model ATX-350w p4
HA jól gondolom 350watt és 4amperos a táp.

#1350 Felhasználó inaktív   F-UzR 

  • Törzsvendég
  • PipaPipaPipa
  • Csoport: Fórumtag
  • Hozzászólások: 741
  • Csatlakozott: --

Elküldve: 2008. 05. 05. 16:00

Idézet: pekarsipos - Dátum: 2008. máj. 5., hétfő - 16:46

Switching Power Supply: Model ATX-350w p4
HA jól gondolom 350watt és 4amperos a táp.

Majdnem. A 350W az az. A P4, az a Pentium 4 CPU-k kiegészítő tápcsatlakozójára utal.

#1351 Felhasználó inaktív   pekarsipos 

  • Újonc
  • Pipa
  • Csoport: Alkalmi fórumtag
  • Hozzászólások: 8
  • Csatlakozott: --

Elküldve: 2008. 05. 06. 10:11

Meg lett a hiba.A ramka okozta a egészet.Mert a gépemben kettő ramka volt egy 256mb és egy1gb,kivetem a 256-at és a gép széppen múködik.
UI:Mindenkinek kösszönöm aki próbált segiteni.

#1352 Felhasználó inaktív   zsola79 

  • Újonc
  • Pipa
  • Csoport: Alkalmi fórumtag
  • Hozzászólások: 3
  • Csatlakozott: --

Elküldve: 2008. 05. 09. 10:23

Sziasztok!


Eredetileg a kérdésemet ide írtam, mert ehhez a témához kapcsolódott:
https://forum.hwsw.h...howtopic=110898

Lehet, hogy nem tettem jól, mert nem kaptam rá választ? :)

#1353 Felhasználó inaktív   djculture 

  • Őstag
  • PipaPipaPipaPipaPipa
  • Csoport: Fórumtag
  • Hozzászólások: 8.810
  • Csatlakozott: --

Elküldve: 2008. 05. 09. 10:57

Idézet: zsola79 - Dátum: 2008. máj. 9., péntek - 10:23

Sziasztok!


Eredetileg a kérdésemet ide írtam, mert ehhez a témához kapcsolódott:
https://forum.hwsw.h...howtopic=110898

Lehet, hogy nem tettem jól, mert nem kaptam rá választ? :)

lapleirása/egyébbként csak sima ddr.t kezel nekem ugy tűnik és csak 1 magos procikat/:http://209.85.135.104/search?q=cache:fc1CJ...clnk&cd=2&gl=hu

Szerkesztette: djculture 2008. 05. 09. 11:01 -kor

Ki a halott vinyók istene?
Hádédész..

#1354 Felhasználó inaktív   kalci24 

  • Újonc
  • Pipa
  • Csoport: Alkalmi fórumtag
  • Hozzászólások: 4
  • Csatlakozott: --

Elküldve: 2008. 05. 12. 07:32

Hali!
Kéne egy kis segítség, Genuinelntel X68 Family 15 Model 1 Stepping 3 procihoz keresek hozzá illő driver t (install). Tudna valaki ebben segíteni , hogy hol találok?Válaszukat előre is köszönöm! 

#1355 Felhasználó inaktív   kalci24 

  • Újonc
  • Pipa
  • Csoport: Alkalmi fórumtag
  • Hozzászólások: 4
  • Csatlakozott: --

Elküldve: 2008. 05. 12. 08:32

Hali!
Elfelejtettem hogy alaplaphoz is kéne egy driver, de ahhoz se találok!
KOB P4M266 NDFSMX a típusa!Köszönöm a válaszokat!Drivers.hu néztem nem találtam!!

#1356 Felhasználó inaktív   brd 

  • Senior tag
  • PipaPipaPipaPipa
  • Csoport: Fórumtag
  • Hozzászólások: 2.813
  • Csatlakozott: --

Elküldve: 2008. 05. 12. 15:59

Ehun' e.A procihoz pedig nem kell driver.
Soha ne bízz olyanban, aki 5 napig vérzik és nem hal meg! :)

#1357 Felhasználó inaktív   kalci24 

  • Újonc
  • Pipa
  • Csoport: Alkalmi fórumtag
  • Hozzászólások: 4
  • Csatlakozott: --

Elküldve: 2008. 05. 12. 16:22

Köszönöm szépen a gyors választ! Xp verziót akarom letölteni ezt írja ki:The file you have chosen to download is currently not available on the server.
Gondolom rá lehet rakni Xp?Mert videokari megy Xp-én(NvidiaGeforce2Mx/Mx400)
Azthizsem most 98 van rajta, vagy rakjam vissza azt?

#1358 Felhasználó inaktív   brd 

  • Senior tag
  • PipaPipaPipaPipa
  • Csoport: Fórumtag
  • Hozzászólások: 2.813
  • Csatlakozott: --

Elküldve: 2008. 05. 12. 19:13

Valószínű, mert van hozzá XP-s driver.:D
Nem tudom, mit akarsz letölteni, de ha a google-ba beírod a file leírását, valószínű, máshol is találsz drivert, pl. VIA 4 in 1.
Soha ne bízz olyanban, aki 5 napig vérzik és nem hal meg! :)

#1359 Felhasználó inaktív   Szacsoka 

  • Törzsvendég
  • PipaPipaPipa
  • Csoport: Fórumtag
  • Hozzászólások: 1.717
  • Csatlakozott: --

Elküldve: 2008. 05. 12. 19:56

Adott egy ilyen alaplap alaplap. Benne egy 5000+ proc. Hogy tudnám letíltani a BIOSban, hogy csak egy mag legyen? Én nem találtam rá - egyértelműen - utaló részt
[ Gigabyte EP35-DS3 rev2.1 ][ E8200@3200MHz ][ Supertalent 2x1GB DDR2 1000MHz 4-4-3-8 ][ Gainward 8800GT Golden Sample ][ Corsair VX450 táp ][ Maxtor 250GB Sata2 ]

#1360 Felhasználó inaktív   kalci24 

  • Újonc
  • Pipa
  • Csoport: Alkalmi fórumtag
  • Hozzászólások: 4
  • Csatlakozott: --

Elküldve: 2008. 05. 12. 19:56

Köszi!
Csak alaplaphoz kéne driver amin fut az xp, kicsit láma vok ezekben a kérdésekben sajna!Akkor a procihoz nem kell semmi, vga driver megvan más csak egy alaplaphoz kéne...csak nem tudom melyiket töltsem le!!!!

Téma megosztása:


  • (86 Oldal)
  • +
  • « Első
  • 66
  • 67
  • 68
  • 69
  • 70
  • Utolsó »
  • Nem indíthatsz témát.
  • A téma zárva.

1 felhasználó olvassa ezt a témát.
0 felhasználó, 1 vendég, 0 anonim felhasználó